| 三、咽部肿瘤 | 《病理学》 |
三、咽部肿瘤(一)良性肿瘤 咽部较常见的良性肿瘤有乳头状瘤、血管瘤、鼻咽纤维瘤、多形性腺瘤等。此外,亦可有神经鞘瘤、神经纤维瘤、淋巴管瘤、脂肪瘤、软骨瘤等,但均较少见。 (二)恶性肿瘤 咽部的恶性肿瘤中鼻咽癌最为常见,而扁桃体癌、恶性淋巴瘤、横纹肌肉瘤较少,平滑肌肉瘤、恶性黑色素瘤均属罕见。 鼻咽癌(nasopharyngeal carcinoma) 是鼻咽部上皮组织发生的恶性肿瘤。在我国,鼻咽癌居各种恶性肿瘤的第8位,在头颈部的恶性肿瘤中鼻咽癌的发病率则居首位,是我国重点防治的十大肿瘤之一。广东、广西、福建、湖南、四川、台湾及香港等地鼻咽癌的发病率较高,男性患者为女性患者的2~3倍,发病年龄多在40~50岁之间。临床上,患者常有涕中带血、鼻塞、鼻衄、耳鸣、听力减退、头痛、颈淋巴结肿大及脑神经受损等症状。 【病因】 鼻咽癌的病因尚未完全查明。可能与环境、遗传、病毒等方面因素有关。经研究发现,有些化学物质,如多环芳烃类、亚硝胺类、微量元素镍等与鼻咽癌有一定关系。动物实验还发现维生素A缺乏,性激素失调等可能提高鼻咽粘膜对化学致癌物质的敏感性。又据调查,有些鼻咽癌患者有家族聚集性和种族易感性。如有些患者的兄弟、姊妹或父母也患或曾患鼻咽癌,还有的孪生兄弟相继发病,提示鼻咽癌可能与遗传因素有关。近年来,有大量研究表明,EB病毒与鼻咽癌有非常密切的关系。90%左右的未分化鼻咽癌组织中可检出EB病毒。癌细胞内存在EBV-DNA和核抗原(EBVA),患者血清中也可出现与EB病毒核抗原、早期抗原、膜抗原和壳抗原相应的抗体。尤其是抗EB病毒壳抗原的IgA抗体(VCA-IgA)阳性率可高达97%,颇为特异而有诊断价值,可作为鼻咽癌早期诊断的参考。EB病毒的存在与鼻咽癌的组织学类型和分化程度密切相关,在泡状核细胞癌和低分化鳞状细胞癌组织中EB病毒的检出率极高,一部分鼻咽低分化腺癌也可发现EB病毒。而且,VCA-IgA抗体水平随病人存活时间延长而逐渐下降,当肿瘤复发或发生远处转移时又复上升,因而对患者治疗后的随访监视和预后估计具有较大的参考价值。 【病理变化】 鼻咽癌最多见于鼻咽顶部,其次是外侧壁和咽隐窝,发生于前壁者最少。但原发癌灶在两个部位(如顶部和侧壁)同时发生的也不少见。 肉眼观:早期病例常表现为局部粘膜粗糙或稍隆起。有些原发癌可形成隆起于粘膜的小结节(图9-1),肿瘤逐渐发展可表现为结节型、菜花型、粘膜下型、浸润型或溃疡型(图9-2)肿块。据统计,结节型占41.4%,菜花型占17.5%,粘膜下型占15.1%,浸润型占12.7%,溃疡型占2%,分型不明者占11.3%。 组织学类型:鼻咽癌多来自鼻咽粘膜柱状上皮,主要是隐窝柱状上皮,少数发生自鼻咽粘膜鳞状上皮,由鼻咽部腺上皮发生者极少。鼻咽癌组织结构复杂,以致分类意见不统一。一般按其分化程度分为高分化、低分化和未分化癌三大类。并按其组织学结构分为:①鳞状细胞癌,②腺癌,③泡状核细胞癌和④未分化癌等四种基本类型。
图9-1 鼻咽癌 箭头示咽扁桃体右侧小瘤结
图9-2 鼻咽癌 (1)鳞状细胞癌:高分化鳞状细胞癌的癌巢细胞分层明显,可见清晰的棘细胞及细胞内角化,有的还可见角化珠(图9-3)。低分化鳞状细胞癌的癌巢细胞分层多不明显,癌细胞呈多角形、卵圆形、梭形或不规则形,胞浆丰富,境界清楚,少数细胞可见细胞间桥,但无角化现象。
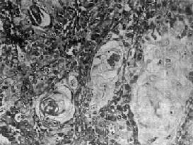
图9-3 鼻咽高分化鳞状细胞癌 癌细胞分化成熟,有角化珠形成 (2)腺癌:高分化腺癌包括柱状细胞腺癌(图9-4)和腺泡状腺癌。低分化腺癌癌细胞呈不规则条索状或片状排列,有时可见腺腔结构或围成腺腔的倾向(图9-5)。有的癌细胞胞浆内含有泡沫状分泌空泡。
图9-4 鼻咽柱状细胞腺癌 癌瘤从表面柱状上皮(左)发生,向深处浸润生长,并呈腺管状结构
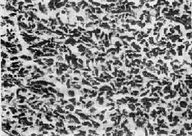
图9-5 鼻咽低分化腺癌 癌巢不规则,部分出现腺腔结构(箭头),癌细胞稍小,核卵圆或圆形,可见核仁 (3)泡状核细胞癌:癌巢不规则,境界不甚明显,癌细胞胞浆丰富,境界不清晰,往往呈合体状聚集成堆。核大呈空泡状,圆形或卵圆形,有1~2个肥大的核仁,核分裂像并不多见(图9-6)。癌细胞间常可见淋巴细胞浸润。电镜下,可观察到紧挨淋巴细胞的癌细胞胞膜和胞质有破坏现象,这可能是淋巴细胞对癌细胞免疫攻击的结果。
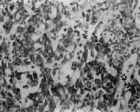
图9-6 鼻咽泡状核细胞癌 癌细胞境界不清,呈合体状,核大圆形,染色质少,呈空泡状,含1~2个肥大的核仁,癌细胞间有淋巴细胞浸润 (4)未分化癌:癌细胞小而泡浆少,呈圆形或梭形,核圆形或卵圆形、浓染,细胞呈弥漫浸润,无明显癌巢形成。有时,癌组织主由短梭形细胞组成,颇似燕麦细胞癌(图9-7)。
图9-7 鼻咽未分化癌 在鼻咽癌的组织学类型中,低分化鳞状细胞癌最为多见,其次为泡状核细胞癌,未分化癌和低分化癌较少,而高分化鳞状细胞癌和腺癌均极少见。 【扩展和转移】 (1)直接蔓延:癌组织向上蔓延可破坏颅底骨,并可经破裂孔侵入颅内,使第Ⅱ~Ⅵ对脑神经受损。向外侧扩展,可侵犯咽鼓管而进入中耳,引起耳症状。向前可侵犯鼻腔,甚至侵入眼眶。还可向后侵犯颈椎,甚至颈段脊髓。 (2)淋巴道转移:癌细胞常在早期就经淋巴道转移,先到咽后淋巴结,而后至颈深淋巴结上群。患者在乳突尖下方或胸锁乳突肌上段前缘出现无痛结节。颈淋巴结转移开始发生在同侧,继而发展为双侧。嗣后,颈侧中、下群淋巴结相继受累,并可互相融合形成巨大肿块。还可压迫第Ⅸ~Ⅻ对脑神经和颈交感神经引起相应症状。 (3)血道转移:多见于肝、肺和骨,也可转移至纵隔、硬脑膜、肾、肾上腺和胰等处。 【临床病理联系】 (1)鼻咽癌早期症状较复杂又往往不为患者重视,而且原发灶开始很小,不易发现,因而常被漏诊或误诊。只有做好肿瘤普查工作,警惕出现吸涕带血、耳鸣、鼻塞等症状,做细致的鼻咽部检查,方能早期发现,早期诊断。 (2)鼻咽粘膜淋巴管丰富,且其通透性很高,癌细胞常在早期就经淋巴道转移,颈淋巴结的转移率很高。常因同侧颈深淋巴结上群发生转移而在乳突尖下方或胸锁乳突肌上段前缘出现质硬的无痛结节。有60%以上的患者是以颈部肿块作为首发症状而就医,甚至有的病人颈淋巴结转移已由病理确诊多时,而临床上仍未能查出鼻咽部的原发癌灶。 (3)鼻咽癌组织因有迅速向深部浸润生长的倾向而破坏邻近组织,常侵犯颅底骨、咽鼓管、中耳、鼻腔及眼眶等处,还可侵入颅内,损害第Ⅱ~Ⅵ对脑神经,引起相应症状。 (4)鼻咽癌恶性程度较高,绝大多数为低分化鳞状细胞癌,泡状核细胞癌也颇常见,对放射治疗有高度或中度敏感性,但较易复发,尤以低分化鳞状细胞癌复发率较高。 (5)鼻咽癌组织的间质内炎性细胞反应情况与患者年龄、淋巴结转移、预后和血清中VCA-IgA水平有一定的关系。
|
返回目录 |