二、常见的骨肿瘤《病理学》

二、常见的骨肿瘤

(一)骨软骨

骨软骨(osteochondroma)又名骨软骨外生性骨(osteocartilaginous exostosis),是指发生在骨表面,表面覆以软骨帽的状骨性隆起。骨软骨是最常见的骨肿,约占良性骨肿的1/3。本多见于11~20岁,约占40%。有单发性(孤立性)及多发性两型,其中以单发性远为多见,多发性者为常染色体显性遗传性疾病,多处长骨受累,并伴有骨发育不良及弯曲或短缩畸形。但无论单发或多发性者,其形态学基本相似。

【病变】

好发于四肢长骨的干骺端,尤以股骨下端、胫骨上端最为多见,其次为肱骨上端,而位于手足骨者极少。

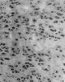
大小不等,直径一般为3~4cm,大者可达10cm以上。肿可分为宽基型与带蒂型两种,从骨表面向外隆起,表面呈半球状、菜花状或息肉状。骨软骨结构较特殊,一般可分为三层。①表层为一薄层纤维组织组成,即软骨膜,和相邻骨膜相连;②中层为软骨帽盖由灰白略带蓝色的透明软骨组成,其厚度随患者的年龄而异,年龄越小,软骨帽越厚;在成年人,软骨帽很薄,或几乎消失,其厚度多在1~5mm之间,镜下与正常软骨骺板相似,表层软骨细胞及基质组织较不成熟,愈近底层愈成熟,交界处的成熟软骨细胞排列成柱状,并见钙化及骨化现象。③基底部为肿的主体,常占肿的大部分,由海绵状松质骨组成,骨小梁间多为纤维组织,有较丰富的毛细血管网(图17-3)。基底部下方与正常骨相连。

骨软骨<a href=瘤"/>

图17-3 骨软骨

图示特征性的三层结构,即最表浅的纤维层,中间的软骨层(软骨帽)和深部的松质骨

【临床病理联系】

骨软骨一般无明显症状,只是局部肿块形成。有时肿块压迫周围组织,引起疼痛和不适。如果肿块体积迅速增大,软骨帽增厚至1cm以上,则须考虑恶变的可能,这在多发性者比单发性者多见。本如手术切除不彻底,则易复发,多发生在1年或数年后。

(二)软骨肉

软骨肉(chondrosarcoma)是从软骨细胞发生的原发性恶性骨肿,由肿性软骨细胞及软骨基质组成。软骨肉是颇为常见的恶性骨肿,其发病率仅次于骨肉,其发病年龄多在中年以后,多见于40~70岁,根据发病部位不同,可分为中央型及周围型两种。中央型从骨髓腔发生,肿为骨皮质所包绕或穿破骨皮质,多见于长管状骨,特别是股骨和胫骨;周围型从骨肿表层出发,向周围软组织及骨皮质侵犯,多见于骨盆、肩胛骨及肋骨等。少数软骨肉来自软骨和骨软骨之恶变。

【病理变化】

肉眼观,中央型软骨肉主要发生在骨髓腔内,呈灰白色、半透明的分叶状肿物,其中常见淡黄色的钙化或骨化小灶。这些钙化或骨化小灶在X线片上可以看到,对诊断软骨肉很有帮助,但高度恶性的软骨肉钙化常不明显。随肿的增大可使骨髓腔变大并侵犯骨皮质,骨外膜受刺激后,可有反应性新骨形成,使受累骨皮质增厚。恶性程度较高的软骨肉,在早期即可穿破骨皮质,向软组织内扩展,形成较大的肿块,周围没有新骨形成。外围型软骨肉体主要在骨外,其表面被覆一层薄而不完整的包膜。以上两型软骨肉均常发生粘液变、出血及囊性变等继发性变化。

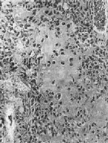
镜下观,肿的分化程度差异很大,分化好的软骨肉在镜下易误诊为软骨,但在肿的边缘可以找到细胞的异型性,如核肥大、深染,出现较多的双核、巨核和多核巨细胞,并可见明显核仁(图17-4)。在分化差的软骨肉则上述细胞的异型性很明显,核分裂像也多见。软骨肉的基质可为与一般透明软骨相似的透明基质,也可为粘液样基质,常见于恶性程度高的软骨肉

软骨肉<a href=瘤"/>

图17-4 软骨肉

软骨细胞大小不等,有的较大。许多细胞有肥硕的胞核,有的有双核

【临床病理联系】

局部疼痛及肿块往往是软骨肉的主要症状。近关节的肿常影响关节活动。盆骨的巨大软骨肉可压迫邻近器官,引起相应症状。软骨肉的分化程度对临床经过有一定影响,分化较好的软骨肉往往生长较慢,预后较好。软骨肉一般比骨肉生长慢,转移也较晚。血道转移可至肺、肝、肾及脑等处,淋巴结转移极罕见。软骨肉术后常易复发,多次复发常使恶性程度增加。

(三)骨巨细胞

骨巨细胞(giant cell tumor of bone)是一种具有局部侵袭性及复发倾向的原发性骨肿。由梭形和卵圆形的基质细胞(stromal cell)及大量散布在其间的多核巨细胞组成,肿间质富于血管。由于本内有大量多核巨细胞,因而称为巨细胞;又因过去认为这些多核巨细胞是破骨细胞,故也称为破骨细胞(osteoclastoma)。本的组织来源未明,以上各名称纯系形态学的描述性命名。在我国骨巨细胞的发病率较高,仅次于骨软骨和骨肉,居第三位。本好发年龄为20~40岁的青壮年,性别无明显差异。

【病理变化】

骨巨细胞多发生于四肢长骨的骨骺端,尤以股骨下端及胫骨上端为多见,约占半数左右,其次为桡骨下端、尺骨下端或肱骨上端等部位。长骨以外则以脊椎为多见。

肉眼观,本常侵犯骨骺线已闭合的长骨端,大多数位于骨骺,早期常为偏心性生长,增大的肿使骨皮质受累而向外膨胀。在肿周围往往有菲薄的骨壳,乃由骨内、外膜反应性新生骨构成,肿的境界比较清楚。肿内原有松质骨大部分或全部消失,内常有纤维组织或骨性间隔。由于肿组织的溶骨性破坏,常造成病理性骨折(图17-5)。肿组织呈灰红色,质软而脆,较大的肿常合并出血及坏死,并伴有囊性变而形成大小不等的空腔,囊腔内含有浆液性或血性液体。晚期病例骨性包壳如果被破坏,则可侵犯软组织形成肿块。关节软骨有抗肿浸润的作用,关节软骨下骨间质可完全被破坏,致使关节软骨失去支持而扭曲变形。

骨巨细胞<a href=瘤"/>

图17-5 骨巨细胞

位于肱骨上端,骨皮质破坏,有病理性骨折

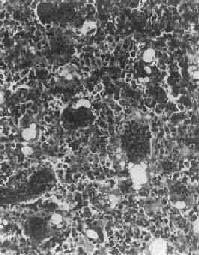
镜下,肿主要由单核基质细胞及多核巨细胞等两种细胞组成(图17-6),间质血管丰富。基质细胞为梭形、卵圆形或圆形,细胞境界不清楚,常见胞浆突起。细胞核较大,染色质量中等,可具有一个核仁。多核巨细胞常较均匀地散布在基质细胞之间,是为本的特点。多核巨细胞的直径常为30~60μm,核数一般为15~20个,最多可达100个以上,常聚集在细胞的中央。核的形态与单核基质细胞相似。细胞边界不规则,但分界较清楚,胞浆丰富,略呈嗜碱性,有时还可见含大量脂类的泡沫细胞。本间质血管丰富,有多少不等的胶原纤维。肿本身无成骨现象,但有时见有类骨组织及新生骨小梁,常见于纤维组织的周围,可能是一种反应性新骨形成或病理性骨折后形成的骨痂。

骨巨细胞<a href=瘤(Ⅰ级)"/>

图17-6 骨巨细胞(Ⅰ级)

由大量基质细胞和多核巨细胞两种细胞组成

【病理分级】

骨巨细胞在病理组织学上,根据基质细胞和多核巨细胞的数量及异型性的程度分为三级:基质细胞分化好,形态大小一致,偶见核分裂像。多核巨细胞数量多、体积大、细胞核多者为Ⅰ级;基质细胞分化差,异型性明显,细胞密度高,核分裂像多,具有肉样改变。多核巨细胞数量少、体积小、细胞核也少,有明显的异型性者为Ⅲ级;介于两者之间者为Ⅱ级。Ⅰ级基本为良性,具低度侵袭性,刮除术后可复发。多次复发后可变为恶性。Ⅲ级呈恶性肿的表现,易复发和转移至肺。病理分级对判断骨巨细胞的良恶性程度和预后以及治疗方法的选择有一定的参考价值,但并非绝对可靠。

【临床病理联系】

早期症状是局部疼痛及压痛,疼痛性质可为间歇性。位于浅表部位者,可出现局部肿胀或肿块。当肿增大而使表面骨皮质膨胀变薄时,触之有捏乒乓球样感觉。位于脊椎的肿,可引起相应神经压迫症状。

(四)骨肉

骨肉(osteosarcoma)是指肿细胞能直接形成肿性类骨组织或骨组织的恶性肿。骨肉是原发性骨恶性肿中最常见者,约占骨恶性肿的1/3。骨肉的发病率在男性略高,可发生于各级年龄,但最多见于11~20岁,其次为21~30岁,年龄越大,发病率越低。骨肉多发生在骨骼生长发育的旺盛时期,其恶性程度又较高,因此是严重影响劳动生产力并危及生命的重要肿之一,早期诊断及早期治疗具有特别重要意义。

【病因】

骨肉病因不明,其发生与下列因素有关。①骨骼的活跃生长。②放射线:实验证明凡能在骨骼内积存的放射性物质均可诱发骨肉;某些骨疾患如骨巨细胞、动脉性骨囊肿或骨外肿如乳腺、视网膜母细胞等的局部放射线照射治疗,偶尔可引起继发性骨肉。③遗传:视网膜母细胞基因(Rb基因,位于染色体13q14,目前已知它是一种抑基因)突变或缺失的遗传性视网膜母细胞患者,发生骨肉的危险性远远高于一般人。近年发现一些骨肉患者也有Rb基因的突变。④病毒:实验证明,动物的骨肉与病毒感染有关,但对人类骨肉尚未有确切的材料说明与病毒的关系。⑤良性骨疾患的恶变:如多发性骨软骨、骨Paget病、骨纤维结构不良等可恶变而发生骨肉,亦称为继发性骨肉

【病理变化】

骨肉可发生于任何骨,最常见于四肢长骨,半数以上发生于股骨的下端及胫骨或腓骨的上端,其次为肱骨上端。颌骨、脊椎骨、肩胛骨和髂骨等较少见。长骨的骨肉发病年龄较小,发生于扁骨者年龄较大。大多数骨肉发生于骨的内部或中央,在长骨位于干骺端,肿在骨髓腔内及向周围骨皮质浸润形成肿块。因骨骺软骨对骨肉的浸润具有一定的抵抗力,在骨骺板闭合骨化之前(约17~20岁),一般不侵及骨骺端。少数骨肉发生于骨表面,称为皮质旁骨肉,其临床、X线和病理表现均与一般骨肉不同。

肉眼观,长骨肿位于干骺端的骨髓腔中央或为偏心性。一侧或四周的骨皮质被浸润和破坏,其表面的骨外膜常被掀起。在切面上可见肿上、下两端的骨皮质和掀起的骨外膜之间形成三角形隆起,其间堆积由骨外膜产生的新生骨。此三角称为Codman三角,这在X线照片中可以显示出来。在骨外膜被掀起时,自骨外膜通往骨皮质的小血管因受到牵拉而呈垂直于骨皮质分布,在这些垂直的小血管周围,组织的血液供应丰富,故新骨形成增多,这些反应性新生骨小梁呈放射状与骨表面垂直分布(图17-7),在X线上表现为日光放射状阴影,这种现象与上述Codman三角在X线上对骨肉的诊断具有特征性。

硬化性骨肉<a href=瘤"/>

图17-7 硬化性骨肉

股骨干骺端呈梭形肿大,骨干被包埋于中央,周围有清晰的放射状骨梁

骨肉的切面呈多彩状,其外观取决于肿性骨质及软骨的含量以及出血、坏死等继发改变的程度。例如,肿性骨质成分较多时则肉眼观呈黄白色,质地坚硬,有砂粒小点或条纹;如软骨形成明显时则呈半透明状;在肿细胞丰富部位则呈灰红色鱼肉状。

镜下,骨肉由明显间变的梭形或多边形肉细胞组成,细胞大小不等,核形奇异,大而深染,核仁明显,易见病理性核分裂像。肿细胞直接形成肿性类骨组织或骨组织,是诊断骨肉的最重要的组织学依据。所形成的类骨组织或骨组织在不同肿或同一肿的不同部位多少不等。往往可看到肿性骨质发生过程中各阶段的形态,最早期在恶性肿细胞间出现均质红染的胶原样物质,其后红染物质逐渐增多,将肿细胞分隔疏远,构成小梁或片状的肿性类骨组织(图17-8)。类骨组织可伴钙盐沉着,其内的肿细胞固缩变小,形成肿性骨质。骨肉内也可出现肿性软骨(图17-9)。

骨肉<a href=瘤"/>

图17-8 骨肉

多形性肉细胞直接形成肿性骨样组织

骨肉<a href=瘤"/>

图17-9 骨肉

骨肉内肿性软骨

骨肉起源于间叶细胞,形态上表现出多方向分化的潜能,而使骨肉的成分较为复杂。根据其主要的分化成分,组织学上可分成几种类型:最常见者为骨母细胞型,以异型骨母细胞为主要成分,细胞呈多边形,较肥硕,核圆、核仁明显,胞浆丰富,伴较多的肿性类骨和骨组织形成;由软骨肉样组织为主要成分者,属软骨母细胞型;以梭形细胞和胶原纤维为主,似纤维肉者为纤维母细胞型;肿内有许多显著扩张的血管腔隙,伴较多破骨细胞型多核巨细胞,甚似动脉性骨囊肿者为血管扩张型,此型十分少见。在同一肿中上述各种类型的成分常混合存在,但以某一类型为主。不论何种类型,都能见到肿细胞直接形成肿性类骨和骨组织,这是区别于其他骨肿的特征。

【临床病理联系】

骨肉最早的症状是局部疼痛,日渐加剧,持续不断,以夜间为明显。发病2~3月后,局部出现肿胀、质地坚硬。患部皮肤紧张,多呈紫铜色,表面静脉曲张。如骨皮质受侵犯时,轻度外伤即可致病理性骨折。

血清碱性磷酸酶的增高是骨肉的唯一重要化验室检查指征,这和组织内碱性磷酸酶的含量增高相一致,约见于半数病例,对骨肉诊断和推测预后有一定价值。

X线检查对骨肉的诊断有重要价值。常见到肿性骨质形成,表现为云絮状或斑块状密度增高的阴影。这类病例在X线诊断时称为硬化型骨肉。少数病例呈溶骨型,病理上主要为软骨母细胞型和纤维母细胞型以骨质破坏为主,呈虫蚀状或大片状骨质破坏,边界模糊。如前所述,X线检查如发现Codman三角或日光放射状阴影,则对骨肉的诊断很有帮助。

骨肉是高度恶性肿,一般生长迅速,预后较差。局部扩展一方面侵犯骨髓腔及骨皮质,并破坏骨膜及周围软组织;另一方面向骨骺蔓延,甚至扩展到关节软骨。极少数病例可越过关节软骨,侵入关节囊,造成关节活动障碍。近年还发现,骨肉在骨内可呈跳跃性转移(skip metastasis),即在与原发同一骨内的另一处形成孤立性转移结节,甚至还可以转移到相邻的骨内,形成孤立结节,约见于1/4的病例,且不易被X线检查发现,因而预后更差。远处转移多经血道到肺,不少病例在发现原发的同时,即已有肺转移。极少数病例可转移到局部淋巴结。

皮质旁骨肉是骨肉的一种特殊亚型。与一般骨肉不同,本发生于骨膜或骨旁的成骨性纤维组织,体的主要部分位于骨的表面。大多生长缓慢,恶性程度较低,预后远较一般骨肉好,其发病年龄比一般骨肉大5~10岁。本好发于股骨下端的后方,其次为股骨上部。体一般较大,边界较清晰,可呈分叶状。早期对骨质侵犯较少,故易于剥离;晚期可破坏骨皮质而侵犯骨髓腔,但远处转移少见。在切面上,靠近骨皮质或骨膜部分质坚实,而体边缘部分较软,为富于细胞部分。体一般不见出血及坏死。镜下,为分化好的骨肉,成骨现象比较明显。在肿性骨小梁间为增生较活跃的纤维组织,间变不明显,形态上似分化好的纤维肉。少数皮质骨肉分化较差,形成骨质较少,与骨内骨肉相似。

上一页:一、原发性骨肿瘤的分类
当前页:二、常见的骨肿瘤
下一页:第三节 佝偻病和骨软化症

返回目录